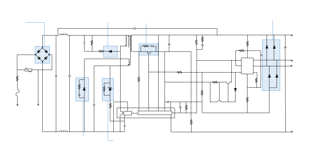
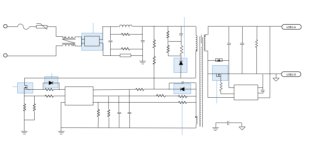
电源
电源产品发展的趋势是空间越来越小,功率越来越大,从而要求内部使用的分立器件也需要追随这样的趋势来迭代更新。顺为电子抓住机遇,成功开发出整流桥、mosfet、快恢复二极管等产品,并已经成功量产上市,在手机充电器、PC电源、服务器电源等领域得到广泛应用。